Hamburg research scientists have synthesised a material that combines several different properties and could open the way to new applications in medical engineering and manufacturing.
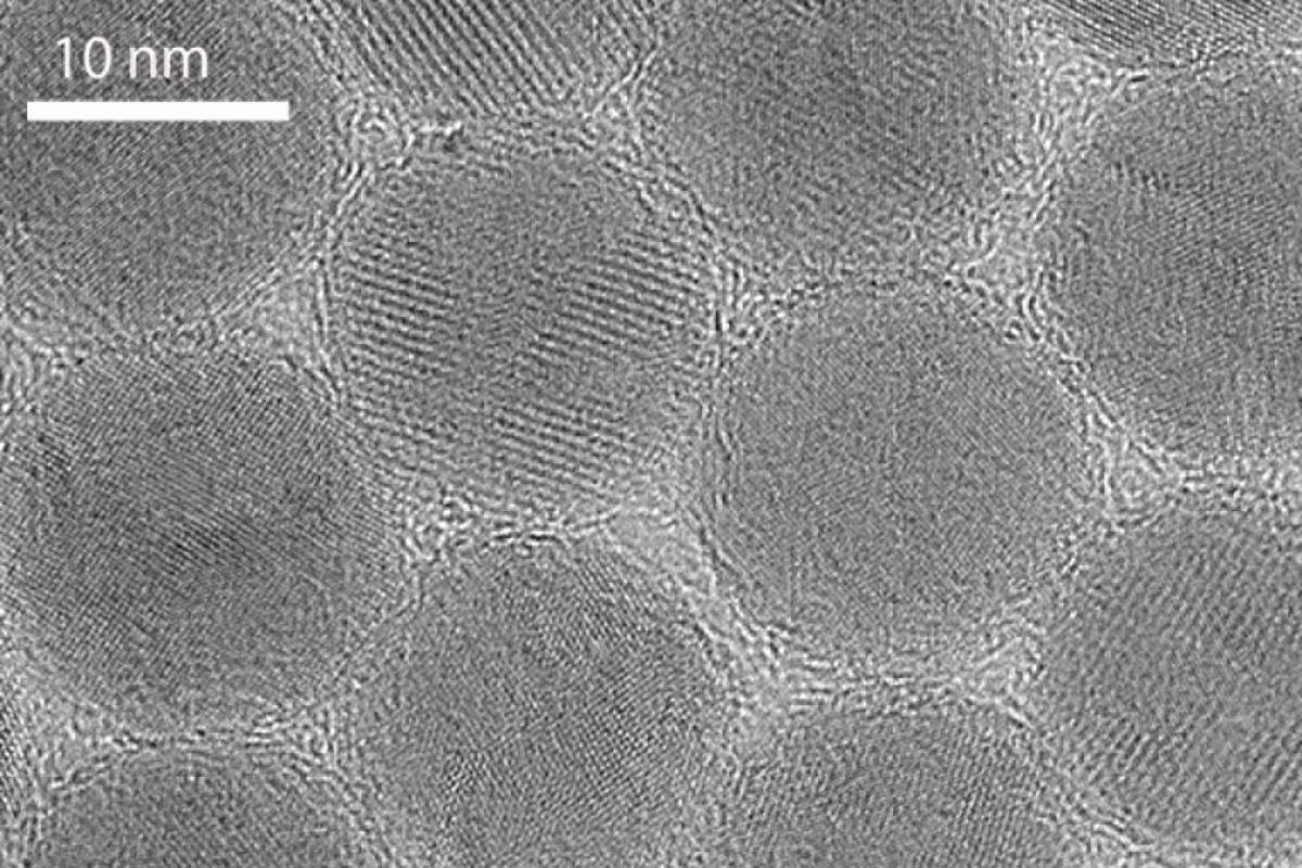
Scientists from the Hamburg University of Technology, the University of Hamburg, the Helmholtz Centre Geesthacht and DESY have developed a new technique which produces a material that is at the same time strong, hard and stiff. To achieve this, the scientists first employed a standard procedure, widely used when working with nanoparticles, whereby ceramic iron oxide nanoparticles are deposited in a regular array. This is done with the help of organic oleic acid, which seeps into the narrow gaps between the nanoparticles and holds them together.
The self-organisation of these nanoparticles leads to an extended, closely packed supercrystal reminiscent of atomic crystal lattices, the crucial discovery is that by subsequently exposing the material to moderate heat levels, the resulting nano composite displays a much stronger cohesion and its mechanical properties are unlike those of any other.
[padding type=”full_left_right”]

[/padding]
On the smallest scale, the structure of the new material resembles that of biological hard tissues, such as mother of pearl and dental enamel. It consists of uniformly sized iron oxide nanoparticles, which are coated with oleic acid. In previous studies, the bonds between the oleic acid molecules were very weak. By drying and pressing the material at an elevated temperature and then applying a controlled thermal treatment, the scientist have now managed to create a much stronger bond between the oleic acid molecules, thereby markedly improving the mechanical properties of the nano composite.
Since oleic acid is very often used when processing other nanoparticles too, this new method could potentially improve the mechanical properties of a great many other nano composites as well. The bonding properties of the oleic acid, which serves as an adhesive, have been examined spectroscopically by the staff of the DESY-Nanolab.
The researchers measurements show that the oleic acid molecules survive the thermal treatment and form additional crosslinks during the process, this important finding can serve as the basis for successfully modelling the mechanical properties of this new material.


